



第二部分液壓壓縮機與傳統壓縮機、液壓平推設備系統的比較
天然氣子站工藝設備的核心部分是壓縮機。壓縮機主要分為三種類型:傳統機械式壓縮機、液壓平推式子站設備系統、液壓活塞式壓縮機。這三種設備在加氣子站中均能起到增壓作用,但是由于其工作原理及結構形式的差異,它們在加氣站中工藝流程有較大的不同,給加氣站經營方帶來的使用性、經濟性有較大差異。其中,液壓活塞式壓縮機在國內誕生較晚,目前使用數量較少,機械式壓縮機在子站中使用較早,使用量較多。但是由于液壓活塞式壓縮機是專門針對子站工況特點設計,其工藝流程的適應性強,使用效能佳。
一、傳統機械式子站壓縮機
其傳動模式是:電機帶動曲軸旋轉,通過連桿、十字頭、活塞桿,帶動活塞在氣缸內作往復運動,實現氣體的壓縮過程,實現增壓目的。如下圖:

特點:
(1)技術成熟。國內外機械式壓縮機有上百年的發展歷史。
(2)氣缸內余隙較大,壓縮氣體溫度較高、壓縮效率較低。
(3)泄漏量大。曲柄帶動活塞高速運轉,在氣缸設計中填料、活塞環是必要部件,且都有間隙,天然氣泄漏不可避免。其中,活塞環泄漏是內泄漏,填料泄漏是外泄漏(目前,填料氣體收集成本相當高,國內外都沒有采用),而且泄漏率會越來越大。一般國內暫新壓縮機的泄漏率約0.65%,其后在1%-3%;
(4)能耗較大。選用電機功率較大(75kW或90kW),啟動電流也大。因此不能頻繁啟動。下圖是槽車壓力與軸功率和排氣溫度曲線。從圖線可以看出,槽車壓力在10MPa時,功率較大,其它壓力段的無功損耗較多,并且,為了保證電機在空負荷下啟動,在停機時要將氣缸及管線內的氣體放空。

(5)維護費用高。易損件多、互換性較差。由于來回高速摩擦,活塞環、支撐環、連桿瓦、填料等都是易損件。這種易損件各生產廠家都不能互換,買了這種設備,往往需依賴其提供配件。
(6)噪聲大。機組振動大、運轉噪音高。在高速運轉過程中,各運動部件都有間隙(不然是不能運動的)。氣閥的高頻率啟閉,都會產生撞擊聲,裸機噪聲大多在90分貝以上。
(7)其工藝流程中必需設置較大規格的儲氣裝置。
二、液壓平推子站設備系統
液壓平推設備系統工藝的CNG加氣子站,由專用槽車、液壓工作橇、售氣機等組成。其工作原理是:液壓工作橇提供高壓油,通過一系列控制閥逐次注入專用槽車的每只長管鋼瓶內,將長管鋼瓶內的天然氣以20MPa的恒定壓力推出來,從而通過售氣機給汽車加氣。如下圖:左邊是專用槽車,右邊是液壓工作撬。

特點:
(1)節能效果較好。選用電機功率一般為30kW或60kW。但液壓系工作壓力較高,不低于20MPa。
(2)簡化加氣站流程。加氣站設備只需槽車和液壓工作撬系統、售氣機即可。占地面積小。單線加氣。由于沒有儲氣設備,不能多線加氣。
(3)使用專用槽車,與普通槽車不能通用。
(4)液壓油中含有專用添加劑,揮發量較大,購買成本較高。通常高壓天然氣與高壓油的相互滲透量還是較大的,如果不是與天然氣不相溶的專用液壓油,排出的天然氣含油量會很大,將直接影響下游設備和CNG汽車的正常運行。
(5)槽車的每支鋼瓶內天然氣通過液壓油推出以后總有一定的剩余量,在回油過程中通過放空口向大氣放散,造成損耗及環境污染。天然氣泄漏率在1%左右。
(6)排氣壓力不超過20Mpa,容易造成下游供氣不足的情況。
(7)排氣量恒定,適應性較差。其排氣量由液壓油泵的排量決定,進多少油才能排多少氣。油泵的排量是恒定的,因而排出的氣體量也是恒定的,所以適應加氣高低峰能力較差。
(8)由于天然氣出口沒有冷卻,其排出的氣體溫度相對要高一些。
(9)一次性投資成本高。

三、立式液壓壓縮機(立式氣缸)
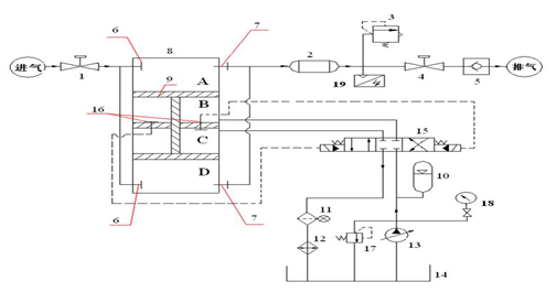
結構原理:工字形活塞桿將上面氣缸分隔為A、B兩個腔,將下面氣缸分隔為C、D兩個腔,如上圖:
工藝流程:
①液壓站輸出的高壓油進入C腔,B腔的油回油箱(近似認為回油箱的油壓力為0),活塞桿向下運動,槽車內氣體進入A腔(一級進氣),而D腔的氣體則經壓縮后流出(一級壓縮),進入冷卻器,完成一級壓縮過程;當活塞運行到極點時,液壓站換向閥將會換向,輸出的高壓油進入B腔,C腔的油回油箱,活塞桿向上運動,槽車內氣體進入D腔(一級進氣),而A腔的氣體則經壓縮后流出(一級壓縮),進入冷卻器,完成一級壓縮過程。
②當兩個這樣的氣缸串聯時,就構成了兩級壓縮。
特點:節能效果好。一般選用22kW雙電機,進氣高時為單電機工作,低時為雙電機工作。下圖是槽車壓力各壓力點的排量與功率曲線:

立式液壓壓縮機結構簡單。氣缸和油缸雙缸一體結構,液壓油每運行一個行程,都會將氣缸壁冷卻一次,因此氣體和氣缸壁的溫度較低,不需水套缸冷卻;一組氣缸只有一級壓縮,要想兩級壓縮需用兩組氣缸;軸向尺寸相對較短(僅大于兩倍行程),可以立式安裝;各支承環和液壓活塞環不存在偏磨現象。
(1)油泵工作壓力較低。經過受力分析,所需油壓=(排氣壓力-進氣壓力)/2;額定壓力為31MPa的油泵工作范圍始終在16MPa以下。
(2)噪聲低。實測噪聲不高于70分貝。
(3)天然氣幾乎無泄露量。設計上回避了填料等結構設計,系統幾乎沒有泄露點。
(4)耗油量極小。油附著在缸壁上形成極薄高分子油膜,使輸出氣體內含極少量油。
(5)易損件少。只有活塞環、O形圈等少量易損件。
綜上所述,液壓活塞式壓縮機結構簡單,流程適應性強,節能性好,泄露量小,運行維護成本低,代表了子站壓縮機發展方向,是CNG加氣子站壓縮機首選設備,其次是機械式壓縮機,再次是液壓平推子站設備系統。其具體比較見表1、表2。
表1:液壓活塞壓縮機(立式氣缸)與傳統壓縮機性能比較表:
序號 | 對比項點 | 傳統機械式 | 液壓活塞式(立式氣缸) |
1 | 易損件數量 | 多(自制件) | 少(標準件) |
2 | 相同工況所需電機功率 | 75/90(kW) | 2×22(kW) |
3 | 維修 | 復雜 | 簡單 |
4 | 運轉成本 | 高(0.064度/方) | 低(0.04度/方) |
5 | 運轉泄露 | 0.7~3% | <0.03% |
6 | 振動 | 大 | 小 |
7 | 噪音(dB(A)) | >80 | <85 |
表2:液壓活塞壓縮機(立式氣缸)與液壓平推系統性能比較表:
序號 | 對比項點 | 液壓平推系統 | 液壓活塞式(立式氣缸) |
1 | 氣與油是否直接接觸 | 是 | 否 |
2 | 排氣速率 | 恒定 | 遞減 |
3 | 適應性(可利用槽車剩余壓力調節加氣高峰) | 差 | 強 |
4 | 槽車品種 | 專用 | 常用 |
5 | 油品 | 專用油 | 常用 |
6 | 建站投資 | 大 | 小 |
7 | 取氣率 | 高 | 低 |
8 | 建站流程 | 簡單 | 簡單 |
第三部分立式與臥式液壓活塞式壓縮機的比較
在國內CNG汽車加氣領域,子站壓縮機經歷了傳統機械式壓縮機和液壓平推子站系統后,出現了最新一代產品——液壓活塞式子站壓縮機。液壓活塞式子站壓縮機繼承吸取了前兩代壓縮機的優點,同時克服了前兩代壓縮機的不足,較好的解決了現階段子站運行過程中存在的能耗過高、噪聲過大、泄露較大、油氣直接接觸、液壓油揮發量大等問題,促進和加快了CNG子站設備的技術進步和更新換代。液壓活塞式子站壓縮機充分利用了槽車內天然氣壓力能,具有節能環保、占地少、投資省、建站流程簡單、運轉成本低等優點。液壓活塞式子站壓縮機在國內的使用經歷了從進口到國產的發展過程,因具有上述優點在國內CNG子站中得到了越來越多的使用(液壓活塞式子站壓縮機的大量使用代表了子站壓縮機的發展方向)。
目前,液壓活塞式子站壓縮機國內有代表性的主要生產廠商有武漢齊達康環保科技有限公司(立式)和青島綠科汽車燃氣開發有限公司等(臥式)。現將立式與臥式兩種液壓活塞式子站壓縮機從結構原理、工藝流程、特點三個方面進行說明和比較。
一、立式液壓壓縮機
結構原理:工字形活塞桿將上面氣缸分隔為A、B兩個腔,將下面氣缸分隔為C、D兩個腔,如下圖:

工藝流程:
1、液壓站輸出的高壓油進入C腔,B腔的油回油箱(近似認為回油箱的油壓力為0),活塞桿向下運動,槽車內氣體進入A腔(一級進氣),而D腔的氣體則經壓縮后流出(一級壓縮),進入冷卻器,完成一級壓縮過程;當活塞運行到極點時,液壓站換向閥將會換向,輸出的高壓油進入B腔,C腔的油回油箱,活塞桿向上運動,槽車內氣體進入D腔(一級進氣),而A腔的氣體則經壓縮后流出(一級壓縮),進入冷卻器,完成一級壓縮過程。
2、當兩個這樣的氣缸串聯時,就構成了兩級壓縮。
特點:
1.氣缸和油缸雙缸一體結構,液壓油每運行一個行程,都會將氣缸壁冷卻一次,因此氣體和氣缸壁的溫度較低,不需水套缸冷卻;
2.一組氣缸只有一級壓縮,要想兩級壓縮就用兩組氣缸;
3.軸向尺寸相對較短,大于兩倍行程,可以立式安裝;
4.各支承環和液壓活塞環不存在偏磨現象;
5.油附著在缸壁上形成極薄油膜,使輸出氣體內含極少量油;
6.經過受力分析,所需油壓=(排氣壓力-進氣壓力)/2;額定壓力為31MPa的油泵工作范圍始終在16MPa以下;
7.當密封件損壞時,天然氣會向液壓油中泄漏(受力分析可知:A腔氣壓總是大于B腔油壓、D腔氣壓總是大于C腔油壓),導致油泵聲音異常,易診斷。
二、臥式液壓壓縮機
結構原理:中間一個油缸帶動兩邊的兩個氣缸,每個氣缸分為兩級壓縮。如下圖。

工藝流程:
1、活塞桿向右運動時,槽車內氣體由A進入左邊氣缸的一級腔(一級進氣),而右邊一級腔的氣體則壓縮后經B流出,進入冷卻器,完成一級壓縮過程;同時,冷卻后的氣體由G進入二級腔(二級進氣),左邊氣缸二級腔內的氣體則壓縮后經D流入二級冷卻器,然后排出。
2、相反,活塞桿向左運動時,槽車內氣體由E進入右邊氣缸的一級腔(一級進氣),而左邊一級腔的氣體則壓縮后經F流出,進入冷卻器,完成一級壓縮過程;同時,冷卻后的氣體由C進入二級腔(二級進氣),右邊氣缸二級腔內的氣體則壓縮后經H流入二級冷卻器,然后排出。
特點:
1、氣體與液壓油是分開的,液壓油只能通過活塞桿上形成的油膜與氣體相溶,氣體含油量低;
2、一組氣缸可滿足兩級壓縮;
3、由于一組氣缸滿足兩級壓縮,則其活塞桿的桿徑必須較大(根據壓縮機原理,如果活塞桿的桿徑較小,則相當于一級雙作用壓縮,而不是兩級壓縮),因此活塞桿的重量較大,各支承環和液壓活塞環存在偏磨現象;
4、氣體溫度較高,最高可達160℃。氣缸散熱較差,為保證壓縮效率和密封件壽命,需要增加水套缸,用水冷卻氣缸,使出口氣體溫度保持在135℃以下;
5、軸線尺寸長,至少有三倍行程的長度,臥式安裝較為合理;
6、經過受力分析,所需油壓=排氣壓力-進氣壓力,額定壓力為31MPa的油泵工作范圍始終在27MPa以上;
7、當密封件損壞時,天然氣會向空氣中泄漏,不易察覺和診斷。
三、立式和臥式液壓活塞壓縮機綜合比較
序號 | 對比項目 | 臥式 | 立式 | 備注 |
1 | 泄漏方向 | 對空氣(不易察覺) | 對液壓油(易察覺) | 液壓油含氣體時油泵會產生異常聲 |
2 | 所需油壓 | 高(27MPa以上) | 低(16MPa以下) | 油壓高時,油泵的內泄量增大,效率略低,且噪音稍大 |
3 | 結構 | 臥式 | 立式 | 立式結構便于安裝維修 |
4 | 單缸壓縮級數 | 2級(壓比匹配難) | 1級 | 小排量時臥式結構有優勢 |
5 | 氣體及缸體 溫度 | 高(氣缸需水套冷卻) | 低(氣缸風冷即可) | 立式結構可實現全風冷 |
6 | 冷卻方式 | 混冷 | 全風冷 | |
7 | 氣體含油量 | 更低 | 低 | |
8 | 維修性 | 困難 | 簡單 |